IMPIANTI |
IMPIANTI |
La società di impiantistica industriale LCM Progetti Srl si occupa della progettazione esecutiva, della realizzazione e dell’avviamento di impianti chimici industriali.
L’azienda ha concentrato l’esperienza e la professionalità in settori specifici dell’industria, tra cui quello chimico, petrolchimico, cosmetico ed alimentare, collaborando da sempre con enti di primaria importanza.
Impianto chimico |
La realizzazione di un impianto chimico segue un iter molto preciso, che include:
Studio di fattibilità (da parte del committente)
Basic design
Engineering (da parte del contractor)
Procurement
Costruzione
Avviamento
Esercizio
Infine, in seguito a un certo periodo di utilizzo, è possibile effettuare delle operazioni di revamping (ristrutturazione generale) per eliminare eventuali componenti non funzionanti, adeguarsi alle norme più recenti, aumentare il livello di sicurezza e ottenere un controllo più efficiente.
Si può intendere un impianto chimico come l’insieme di più apparecchiature che funzionano secondo operazioni elementari – o unitarie – come gli scambi di calore o di quantità di moto. Queste apparecchiature sono connesse tra di loro (piping) e consentono la movimentazione di correnti materiali come fluidi, solidi o miscele.
Tra i numerosi impianti chimici
Impianti petrolchimici
Cementifici
Impianti di trattamento delle acque
Impianti di potabilizzazione delle acque
Impianto Petrolchimico |
La distinzione tra un processo di raffineria ed uno petrolchimico è rappresentata dalla destinazione del prodotto finale: mentre nel primo caso il prodotto è impiegato come combustibile, nel secondo come materiale.
Le principali sostanze
impiegate nei processi dell’industria petrolchimica sono:
Olefine
Butadiene
Aromatici
Gas di sintesi
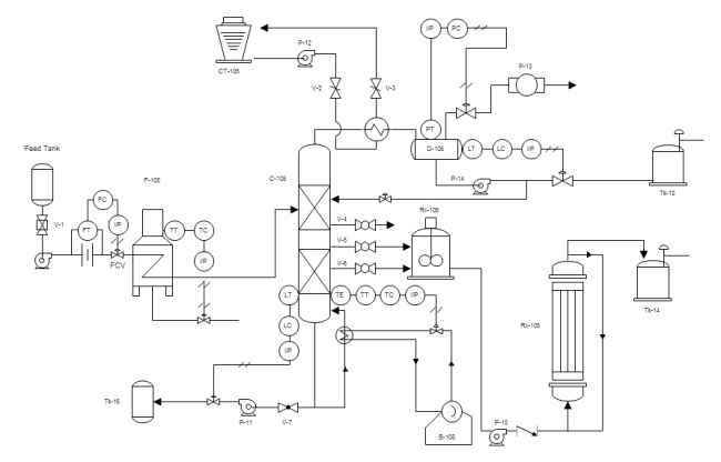
P&ID
Il Piping and Instrumentation Diagram – o schema di marcia – è un disegno che illustra i collegamenti tra le apparecchiature di un impianto, il sistema di tubazioni e gli strumenti utilizzati per il suo controllo.
In particolare, in un P&ID sono rappresentate le strumentazioni di controllo, le valvole del processo, le tubazioni (con relative dimensioni), la direzione dei flussi, gli spurghi, i drenaggi e le interconnessioni.
Per identificare la strumentazione di controllo del processo, si impiega generalmente un cerchio diviso in due parti:
Nella parte superiore, una sequenza di lettere indica la funzione dello strumento
Nella parte inferiore, un numero differenzia gli strumenti con la medesima funzione


